Over 35 Years of Providing Metallurgical Analysis

Explosive Cleaning Damage of Reheater Tube







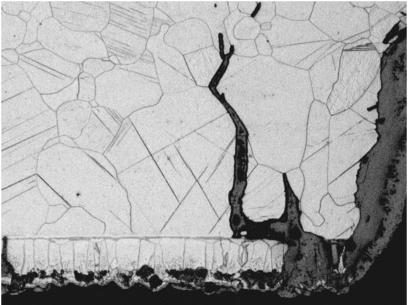
A 22 year-old SA-213 T-22 Cr-Mo reheat pendant tube sample had cracked longitudinally. The through-wall crack near the 3:00 orientation of the tube is depicted below. Several cracks were noted near the ID surface. A significant decarburized zone was noted at the ID surface. This zone extended approximately one third of the tube thickness.



The microstructure away from the ID was ferrite, tempered bainite and spheroidized carbides, typical for T22 steel after many years of service. Some OD deformation can be seen here. Very thick oxide in the fracture indicates that the damage happened some time ago.


This decarburized zone was likely from chromization. The depth of decarburization was severe, which can affect the tube strength and acts as a location for crack initiation. Shock twins are also visible, commonly seen after explosive damage resulting from flow stress.



For more information email us at contact@davidnfrench.com or speak with us directly at 502-955-9847.